CF212V

RELE' CF2-12V 2X12Vdc 30A ORIGINALE PER AUTO

Se ordinato disponibile per la spedizione in 20 giorni

Nuovo prodotto

RELE' CF2-12V 2X12Vdc 30A ORIGINALE PER AUTO

Maggiori dettagli


PREZZI IVA ESCLUSA

1 PZ 10,3385 €

Scheda Tecnica

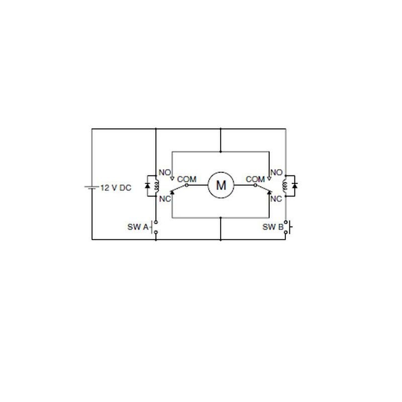
Articolo: CF2-12V NAIS

Category: RELE' ELETTROMAGNETICI INDUSTRIALI

Descrizione: TWIN POWER AUTOMOTIVE RELAY
7 Amp Steady/30 Amp Inrush current capability

Simple footprint enables ease of PC board layout

Voltage COIL: 2 X 12Vdc DOPPIO RELE

Load Corrente: 20A

Mounting: PCB / CIRCUITO STAMPATO

Dimensioni: 22,5x16,5x16,5mm

APPLICATIONS: Power windows
Auto door lock
Electrically powered sunroof
Electrically powered mirrors
Powered seats
Lift gates
Slide door closers, etc. (for DC motor forward/reverse control circuits)
MERCEDES TOYOTA GM

Articolo similare:CF2-12V-H15

Annotazioni: Relè elettromagnetici industriali
Relay rele' rele Relè

RoHS: